- Каталог
- Элементы автоматики
- Термоголовки и приводы
- Электропривод поворотный трехпозиционный
Электропривод поворотный трехпозиционный
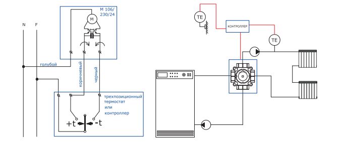
(VT.M106.0) Электропривод поворотный трехпозиционный предназначен для автоматического управления трех- и четырехходовыми смесительными клапанами VALTEC и аналогичными им с помощью термостата или контроллера. Управление – импульсное. Напряжение питания – 230 или 24 В. Возможно переключение на ручное управление. Привод подключается к клапану с помощью переходной втулки (входит в комплект поставки). Максимально допустимая температура нагрева корпуса клапана (арматуры) – 150 °С.
Схема подключения привода VT.M106 с управлением от трехпозиционного термостата

Таблица совместимости термостатов/контроллеров и приводов
| VT.AC602 | VT.AC634 | VT.AC707 | VT.AC709 | VT.AC712 | |
| VT.TE3040.0.220 | + | + | + | + | + |
| VT.TE3040.A.220 | - | + | + | + | + |
| VT.TE3041.0.024 | - | + | + | + | + |
| VT.TE3041.A.024 | - | + | + | + | + |
| VT.TE3043.0.220 | + | + | + | + | + |
| VT.TE3043.A.220 | - | + | + | + | + |
| VT.TE3043.0.024 | - | + | + | + | + |
| VT.TE3043.A.024 | - | + | + | + | + |
| VT.M106.0 | - | + | + | + | + |
| VT.ZC8.0.220 | - | + | + | + | + |
| VT.ZC8.0.24 | - | + | + | + | + |
| VT.AC713 | VT.AC801 | VT.K300 | VT.K500 | VT.ZC8.0.220 | VT.ZC8.0.24 | |
| VT.TE3040.0.220 | + | + | - | - | + | - |
| VT.TE3040.A.220 | + | + | - | - | + | - |
| VT.TE3041.0.024 | + | + | + | + | - | + |
| VT.TE3041.A.024 | + | + | - | + | - | + |
| VT.TE3043.0.220 | + | + | - | - | + | - |
| VT.TE3043.A.220 | + | + | - | - | + | - |
| VT.TE3043.0.024 | + | + | + | + | - | + |
| VT.TE3043.A.024 | + | + | - | + | - | + |
| VT.M106.0 | + | + | + | + | - | - |
| VT.ZC8.0.220 | + | + | - | - | ||
| VT.ZC8.0.24 | + | + | - | - |
| Артикул | Размер | Цена за единицу |
|---|---|---|
| Арт. | Разм./кол. | Цена |
| VT.M106.0.230 | 230 В | 24914 ₽ |
| VT.M106.0.024 | 24 В | 24914 ₽ |
| * Указаны рекомендованные производителем розничные цены (руб). | ||
Паспорт: Электропривод поворотный для смесительного клапана (PDF, 706 KБ)
Декларация о соответствии техническому регламенту Таможенного союза: Электроприводы на 230 В (PDF, 605 КБ)
Декларация о соответствии техническому регламенту Таможенного союза: Электроприводы на 24 В (PDF, 655 КБ)
Отказное письмо в области пожарной безопасности (PDF, 930 КБ)

















